Vải sợi carbon một chiều để gia cố dầm
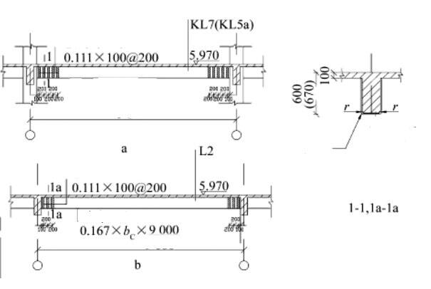
Vải sợi carbon đơn hướng fcfk lớn hơn 3 000N/mm2; Ecf bằng 2,1 x 105 N/mm2; thông số kỹ thuật về độ dày: 0,111mm, 0,167mm.
Sau khi phân tích, vải sợi carbon một chiều được sử dụng. Sau khi xử lý, hiệu suất kết cấu được kiểm tra. Sau khi đáp ứng các yêu cầu, lưới thép được sử dụng để phủ vữa và làm phẳng.
Dự án
Dự án xây dựng nhà xưởng, khung 4 tầng, cột đáy đổ bê tông trước, sau đó đổ bê tông dầm sàn 2 tầng và sàn bản 5 ngày sau. Buổi tối bắt đầu đổ bê tông. Trong quá trình đổ bê tông, phát hiện một số dầm phụ bị võng. Gia cố khẩn cấp được thực hiện để ngăn chặn sự cố lan rộng.
Nguyên nhân của sự cố này là do đơn vị thi công không tuân thủ quy trình nghiệm thu, độ cứng không đủ tiêu chuẩn. Hệ thống chống va ống thép đỡ dầm phụ được đặt trực tiếp lên nền đất đắp, thanh giằng chống không được gia cố bằng kéo. Hai ngày trước khi đổ bê tông, trời mưa, một phần nền đất đắp bị lún, cốt thép gỗ chưa được lắp đặt, đơn vị thi công không tự kiểm tra, không phát hiện sự cố tiềm ẩn nào. Trước khi đổ bê tông, không có thông báo cho giám sát hoặc chủ đầu tư.
Sau khi phân tích, vải sợi carbon một chiều được sử dụng. Sau khi xử lý, hiệu suất kết cấu được kiểm tra. Sau khi đáp ứng các yêu cầu, lưới thép được sử dụng để phủ vữa và làm phẳng.
Vật liệu gia cố kết cấu
Vải sợi carbon đơn hướng fcfk lớn hơn 3.000N/mm2; Ecf bằng 2,1 x 105 N/mm2; thông số kỹ thuật độ dày: 0,111mm, 0,167mm.
Keo dán sợi carbon: keo lót, keo san phẳng, keo dán trước khi thi công

Yêu cầu xây dựng
1. Xử lý nền bê tông
(1) Nền bê tông phải được loại bỏ các phụ kiện, loại bỏ dầu mỡ và cắt ván khuôn phẳng để chà nhám miệng.
(2) Bề mặt được phủ len để lộ bề mặt bê tông mới.
(3) Trong trường hợp có khuyết tật nhỏ (hình tổ ong, v.v.), hãy sử dụng keo kết cấu để bù đắp.
2. Trình tự thi công dán vải sợi carbon: quét keo dưới, quét keo dán, dán vải sợi carbon và quét keo phủ.
Những điểm cần lưu ý
(1) Dán vải sợi carbon vào đáy dầm, cuối cùng gắn vòng sợi carbon.
(2) Khi cán vải sợi carbon, chỉ có thể tiến hành lớp thi công thứ hai sau khi lớp keo dán đầu tiên khô, v.v.
Bản tóm tắt
Báo cáo thử nghiệm hiệu suất kết cấu đạt yêu cầu, đáy dầm được sơn vữa xi măng và lưới thép thẳng, không có vết nứt ở giai đoạn sau, đạt hiệu quả gia cường đạt yêu cầu. Hiệu quả của dầm và bản gia cường CFRP rất tốt. Báo cáo thử nghiệm hiệu suất kết cấu đạt yêu cầu, đáy dầm được sơn vữa xi măng và lưới thép thẳng, không có vết nứt ở giai đoạn sau, đạt hiệu quả gia cường đạt yêu cầu. Hiệu quả của dầm và bản gia cường CFRP rất tốt.