Giải pháp
Horse Construction cung cấp đầy đủ các loại vật liệu gia cố kết cấu với hỗ trợ kỹ thuật, hỗ trợ tài liệu, hỗ trợ sản phẩm, hỗ trợ phần mềm, hỗ trợ dự án.
Unidirectional carbon fiber fabric is used for beam and slab flexural reinforcement, and beam, column, wall shear reinforcement, confined concrete for seismic strengthening of columns, also for crack repair and dynamic load member reinforcement, reinforcement and repair.
Unidirectional carbon fiber fabric is used for beam and slab flexural reinforcement, and beam, column, wall shear reinforcement, confined concrete for seismic strengthening of columns, also for crack repair and dynamic load member reinforcement, reinforcement and repair.
Reinforced frame beams with CFRP wrapping

CFRP reinforcement of floor opening

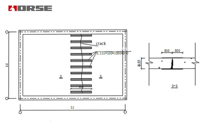
Reinforcement of floor cracks with CFRP fabric

Reinforcement of brick walls with carbon fiber cloth

Bạn có thể tìm thấy mọi thứ bạn cần ở đây. Hãy tin tưởng và thử nghiệm các sản phẩm này, bạn sẽ thấy sự khác biệt lớn sau đó.
Lớp bọc sợi carbon đơn hướng, cường độ cao được bão hòa trước để tạo thành lớp bọc polyme gia cường sợi carbon (CFRP) dùng để gia cố các cấu kiện bê tông kết cấu.
Lớp sơn lót sợi carbon có độ nhớt thấp, khả năng thẩm thấu mạnh cho bề mặt bê tông cốt thép để tăng cường phần khuyết tật
Keo dán sợi carbon tẩm tốt để ứng dụng polyme gia cường sợi carbon (CFRP) để gia cố kết cấu